Priključek rotacijska kosilnica za motokultivator je naprava, ki se pritrdi na motokultivator in se uporablja za košnjo trave ter hkratno mulčenje pokošene trave in organskih ostankov. Ta kombinacija omogoča učinkovito obdelavo travnatih površin.
Priključek kosilnica je na voljo v širini 80cm. Primeren je v kombinaciji s strojem Maestral 9KM ali 12KM. Diesel motor se običajno slabše izkaže zaradi nižjih obratov, ki jih motor dosega.
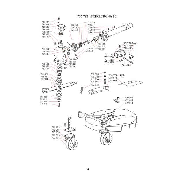
Priključek kosilnica omogoča prilagajanje višine košnje, kar omogoča uporabniku, da nastavi želeno dolžino trave.
Priključek kosilnica se enostavno pritrdi na motokultivator s hitrim priklopom.
Kvalitetni kosilni mulčarji so izdelani iz trpežnih materialov, ki zagotavljajo dolgo življenjsko dobo in učinkovito delovanje tudi pri redni uporabi.
Uporaba kosilnice mulčarja za motokultivator omogoča hitro in učinkovito obdelavo travnatih površin ter hkratno mulčenje, kar vodi v bolj zdravo rast trave in boljšo kakovost tal.
Kosilnica ima nastavljivo višino. Nastavljiva višina omogoča natančnejšo nastavitev višine košnje in tako omogoča, da se travna ruša zaradi tega manj poškoduje.
Zaradi stranskega izmeta, je pokošena površina lepša, podobno kot pri klasičnih vrtnih kosilnicah.
Zaradi podpornih koles je priključek spredaj bolj vrtljiv in teži k temu, da se stroj obrača po hribu navzdol.
Zato si lahko pomagamo ob košnji prečno na strmino tako, da uporabljamo zavoro "zgornjega" kolesa in na ta način upravljamo s strojem.






Naložbo izdelave spletne strani www.frambo.si in e-trgovine www.agro24.si so sofinancirale Republika Slovenija in Evropska Unija iz Evropskega sklada za regionalni razvoj. Projekt je sofinanciran na podlagi javnega poziva«Vavčer za digitalni marketing«. Spletna stran evropske kohezijske politike v Sloveniji: http://www.eu-skladi.si/.